精密防护,稳定守护:SITEMA液压防坠落保护装置技术详解与产品推广
在高空作业、重型设备维护及工业自动化领域,安全是绝对不容妥协的基石。SITEMA液压防坠落保护装置,以其德国精密制造的卓越品质,为您的安全挑战提供坚实可靠的技术解决方案。作为一款获得德国DGUV(国家职业安全与健康法规机构)认证的安全产品,它不仅符合严苛的国际安全标准,更以创新的设计和超乎预期的性能,定义了被动安全防护的新高度。
核心优势:双重认证,稳定守护
权威安全保障:BAUART KR及BAUART K系列均持有德国DGUV官方认证,是经过严格工业测试的安全承诺。
卓越制动性能:依据技术资料,当制动杆(d=30mm)处于干燥或液压油湿润状态时,其最小保持力(制动力)为额定负载(M)的2倍,并确保不超过3.5倍1,安全冗余度极高。
模块化智能监测:装置内置用于安装标准感应式接近开关的卡槽,可直接输出“卡杆已锁紧”与“夹持已松开”的实时状态信号,轻松实现安全联锁与系统状态监控。卡槽出厂前已预设深度并配备深度限位,安装便捷。部分型号(如K系列)更集成了自动排气阀,确保液压系统的稳定运行。
产品系列选型指南
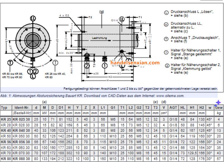
BAUART KR系列:紧凑高效,主流防护之选
KR系列设计紧凑,覆盖从25kN到80kN的额定负载范围,专为空间有限但安全要求不降级的应用场景打造。
产品特色:其核心指标M值代表了装置可承受的安全负荷。例如,KR 80型号的M值为133kN,意味着其能为高达133kN的负载提供可靠的防坠落保护。同时,其制动力可达266至465.5kN,提供卓越的缓冲防护。
关键参数速览:该系列提供从KR 25到KR 80的八种型号。其中,KR 50至KR 80型号提供了优化的连接布局(4个G1/4螺纹),并兼容标准接近开关安装。所有关键尺寸(H, D, L1, L2等)均已精密标准化,便于集成。
BAUART K系列:强力重载,工业极限守护
K系列专为重型、超大负载应用而设计,其单型号的最大M值可达850kN(K 200型),是大型设备、重型桁架或特殊工业场景的理想选择。
产品特色:以K 160为例,其M值高达700kN,其保持力范围达1400至2450kN。其独特的设计提供了强大的结构刚性,并标配了G3/8规格的快速压力接口和用于排气阀的独立E接口,简化了重型系统管线布局。
关键参数速览:从K 90到K 200,共8个型号。标配4个或以上M8安装孔,部分型号(如K 180, K 200)的E接口设计为G1/4,方便安装排气自动化单元。



